JRNT迷你倒裝型氣液增壓缸
- 作動方式:雙動
作動條件:4~7kg/cm2壓縮空氣
液壓抗磨油:VG68#抗磨液壓油
工作溫度:0~60℃
操作速度:50~450mm/s
油缸耐壓:300kg/cm2
氣缸耐壓:12kg/cm2
預壓行程公差:+1.00mm 0.00mm
力行程公差:+0.20mm 0.00mm
工作頻率:30~60次/min
高壓出力:1~14噸
玖容廠家直銷,2年免費保修,非標定制!
JRNT迷你倒裝型氣液增壓缸又稱復合式倒裝型氣液增壓缸,系將一油壓缸(預壓段)與增壓器(增壓段)作一體式結合,儲油筒內置相對更小型,縱向長度短,寬度稍寬,工作速度穩定,動作行程短,速度特快(有一定行程限制)。氣液增壓缸采用進口日本NOK氣封,英國HALLITE油封,臺灣內電油缸,內壁光潔度及同心度好匠心質造。
JRNT迷你復合式倒裝型氣液增壓缸在安裝空間小以及對預壓行程長度要求不是很長的的場合得到廣泛應用。我司除了特別注明為直壓式氣液增壓缸的,其他款式一般都為預壓式氣液增壓缸,還望廣大新老客戶知曉。
【迷你倒裝型氣液增壓缸操作條件】:
咨詢熱線:400-833-2669
【迷你倒裝型氣液增壓缸產品特點】:
●外形結構簡單輕巧。
●動作速度快,出力平穩。
●操作簡單,易維護。
●適用于:產品成型,塑料熔接,電子元件鉚接,金屬板件成型等場合。
●安裝方式:倒裝。
●此復合式倒裝型氣液增壓缸可非標定制,玖容氣液增壓缸廠家直銷價格從優,歡迎選型報價)。
【氣液增壓缸產品應用】:
氣液增壓缸可用于沖孔,裁斷,裝配,型材碰焊,鉚壓鉚合,鉚接鍛壓,折彎型材,擠壓成型,壓平校直,壓印標記,塑料熔接,修毛邊等;在電聲設備,燙金機械,高周波機械,熱壓成型機械,低壓注膠設備,鋰電池設備,工程設備,電子產品,吹瓶機械,紙杯設備,印刷機械,塑料機械,橡膠機械,壓力機械,冶金機械,軸承機械,塑膠機械,服裝機械,鉚接機械,鞋機機械,制袋機械,制藥機械,非標自動化設備等等行業中得到廣泛應用。
【迷你倒裝型氣液增壓缸訂購代碼】:
【迷你倒裝型氣液增壓缸提升力及理論出力對照表】:
【迷你倒裝型氣液增壓缸1~14噸安裝尺寸表】:
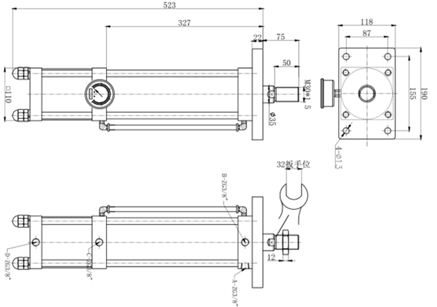
【迷你倒裝型氣液增壓缸設計圖】:
注:此復合式倒裝型氣液增壓缸設計圖僅僅是舉例,因為不同規格產品外形尺寸有所差異,具體設計圖會在下單時由我司技術給出。玖容氣動液壓設備廠家,到目前為止,已為3000多家企業進行了針對性的產品定制服務,服務過上萬家客戶,歡迎廣大新老客戶選型報價:400-833-2669。
【氣液增壓缸使用維護注意事項】:
1.氣液增壓缸接入氣路前,敬請先將管路及元件內的灰塵等雜物清除,以免降低增壓缸的使用壽命。
2.正常氣壓范圍內使用缸在正常使用時工作氣壓必須要按照檢驗報告中規定的工作氣壓范圍內工作,不得超過規定的工作壓力。
3.注意增壓缸的工作環境缸在設計時工作環境內的溫度已定,若因工作需要變換工作環境超過溫度需與增壓缸技術相關人員聯系處。 由于缸中的部分元件為鐵質,所以請不要將其置于工況環境特為復雜的環境內使用(如有化學物質的接觸環境),另請在缸前端加裝有效的空氣處理元件(三點組合)并接時加油潤滑及排水處理。
4.不可擅改加其它液壓油增壓缸在設計時所選用的液壓油價質為VG68#抗磨液壓油,不可撤擅自改用其它液體介質(如機油.水等)。
5.一定要按程序操作動作程序一定要按照氣路配裝圖的動作程序工作即預壓動作-增壓動作增壓釋壓-預壓復位。
- *聯系人:
- *手機:
- 公司名稱:
- 郵箱:
- *采購意向:
-
*驗證碼:




